Hydraulikmotor 35060

Hydraulikmotor 35060
Verfügbare Menge:2
oder
anrufen +43 664 3766 480
Beschreibung
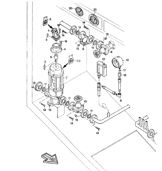
Hydraulikmotor 35060 Wirtgen (überholt)
passend für die Heißölpumpe 74215 Wirtgen
- auch verfügbar: Heißölpumpe 74215 (Pos.7 auf der Zeichnung)
Wir liefern weltweit!
Fragen Sie nach unseren aktuellen gebrauchten oder generalüberholten Teilen.
Spezifikationen
| Hersteller | WIRTGEN |
| Modell | passend für: Wirtgen Remixer RX4500 |
| Zustand | Überholt |
| Lagernummer | 2314456 |
| Passend für | Wirtgen Remixer RX4500/4500RX (Serie: 02.RX + 05.RX) |
| passend für: | Heißölpumpe 74215 Wirtgen |






