PUMPENVERTEILERGETRIEBE 147200

PUMPENVERTEILERGETRIEBE 147200
Verfügbare Menge:2
oder
anrufen +43 664 3766 480
Beschreibung
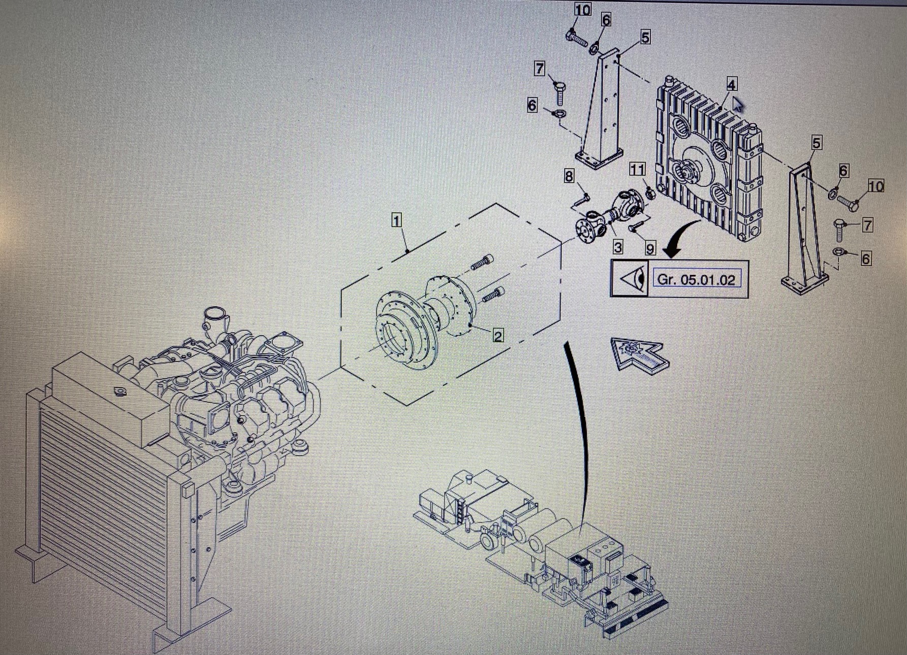
GETRIEBE 147200 Wirtgen / Pumpenverteilergetriebe aus eigener Fertigung.
- Neukonstruktion! Gehäuse neu, Zahnräder alle neu, Lager neu, Dichtungen neu!
- auch verfügbar: Getriebe 180070 Wirtgen, aus eigener Fertigung!
Spezifikationen
| Hersteller | WIRTGEN |
| Modell | RX4500 |
| Zustand | Neu |
| Lagernummer | 2314464 |
| passend für | Wirtgen Remixer RX4500/4500RX (Serie: 02.RX + 05.RX) |










